Applicable to Sauer 90 Series Hydraulic Piston Pump 90r055 90r075 90r100 90r130 90r180 90r250 Hydraulic Pumps

Customization: Available
After-sales Service: 24 Hours Online
Warranty: 1 Year, 1year

Product Description

📋 Basic Information
Model NO.
90R/L series
Structure
Single Cylinder, Axial Plunger Pump
Power
Hydraulic, 450bar
Application
Machinery Manufacturing
Type
Plunger Pump
Drive Mode
Hydraulic Driven
Speed
500-3500rpm
Material
Cast Iron
Displacement
42cm3-250cm3
Pressure
High Pressure
📍 Product Overview
Hydraulic Piston Pump 90 series
Hydraulic Piston Pump 90 series detail

Series 90 Axial Piston Pumps

Operating Parameters for high-performance hydraulic systems.

Parameter Unit 055 075 100 130 180 250
Minimum Speedrpm500500500500500500
Rated Speedrpm390036003300310026002300
Maximum Speedrpm425039503650340028502500
System Pressure Description bar [psi]
Working PressureMaximum continuous450[6525]
Maximum PressurePeak pressure480[6960]
Charge PressureMinimum18[261]
Case PressureRated3.0[44]
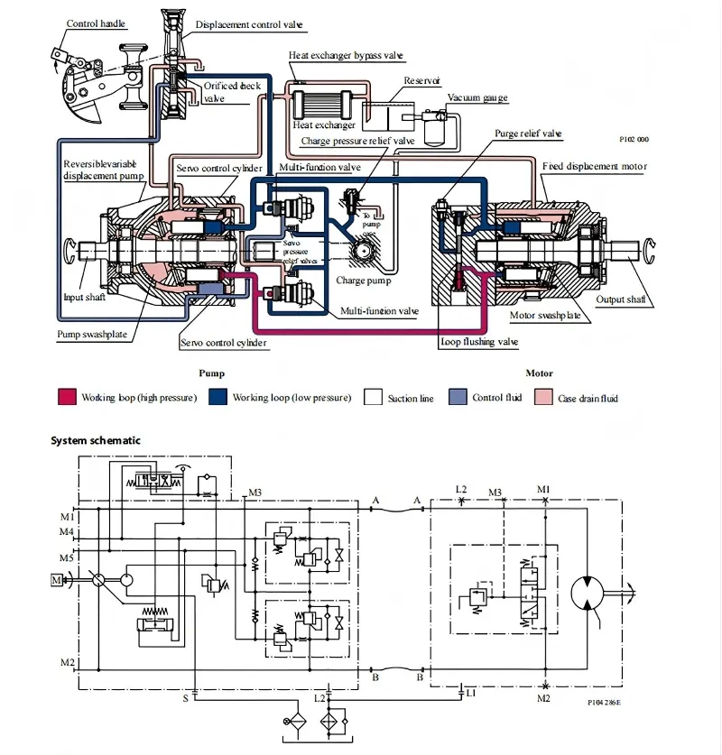
🕸 Circuit Diagram
Series 90 Pictorial Circuit Diagram
📌 Available Product Models
90R042DDANN80P4S1CGBGBA353524
90R055DD1NN60P4S1DGBA383824
90R075DD5NN80P4C8H03GBAGBA383824
90R100KA5NN80T3C8K05NNN202024
90R130DD5NN80P4C8H03GBAGBA383824
90R180DD5NN80P4C8H03GBAGBA383824
90R250DD5NN80P4C8H03GBAGBA383824
90L042EA1NN80R3C3C02GBA383824
90L055KN1NN80R4S1C03GBA424224
90L075DD5NN80P4C8H03GBAGBA383824
90L100FH5BC80P7C80P7C8HBA353526
90L130HS5NN80TCC8H03NNN323224
🏭 Professional Manufacturing

We adhere to the business philosophy of "Integrity, Truth-Seeking, Pragmatism, Innovation, and Change." Our facility primarily produces hydraulic pumps, hydraulic motors, plunger pumps, and vane pumps. We utilize a comprehensive range of manufacturing and testing equipment with a team of professional technicians to strictly control quality standards.

Factory Production
🚧 Product Applications
Products are widely used in agriculture, engineering, industry, shipbuilding, and metallurgy.
🚜 Equipment includes: Harvesters, tractors, road rollers, asphalt pavers, bulldozers, and cranes.
🚗 Specialized machinery: Excavators, loaders, concrete pump trucks, and tunnel boring machines.
Application Fields
🌍 Global Presence

We actively participate in international exhibitions, adhering to the purpose of "win-win cooperation," communicating with industry peers to continuously improve product quality.

Exhibition communication
📦 Packaging & Shipping
Package: Transported via customized wooden boxes with built-in protective materials to ensure products reach their destination safely.
Shipping: Available via DHL, UPS, FedEx, TNT, Air Express, Land, and Sea.
Product Packaging
After-sales & Feedback

1. If you are satisfied with our products and service, please leave positive feedback.
2. If you encounter any issues, please contact us first. We will do our best to solve any problems and provide the best customer service.

Feedback 1
Feedback 2
Frequently Asked Questions
What are the main applications for these pumps?
Our pumps are primarily used in hydraulic systems for agricultural machinery, construction equipment, and automotive industrial applications.
What are the accepted payment terms?
For full orders: 30% deposit, with the balance due before shipment. For small or sample orders, full payment is required in advance.
Can I customize the pump with my own brand?
Yes, for full production orders, we can mark your specific brand and part codes directly on the pump.
How long is the product guarantee?
We provide a standard 1-year guarantee on our hydraulic products.
What is the typical lead time for shipping?
Lead times vary by order size, but we utilize major carriers like DHL, FedEx, and Sea freight to ensure the fastest possible delivery.
Do you provide technical support for installation?
Yes, our team of professional technicians is available to provide guidance and support regarding product specifications and applications.

Related Products