The company is a professional team of experienced mechanical engineers, technical workers, and consultants dedicated to precision structural parts manufacturing. We serve industries including medical equipment, communications, semiconductors, automobiles, and non-standard automation. With rapid response capabilities and excellent quality control, we provide value-added services through technical expertise and efficient business processing, allowing customers to focus on their core operations.
Utilizing a comprehensive industrial chain, we integrate raw materials, die-casting, metal stamping, powder metallurgy, and various surface treatments (oxidation, electroplating, polishing) combined with strong CNC machining, turning, and milling capabilities to provide a reliable one-stop production service.
| One-stop Custom Precision CNC Machining Service | |
|---|---|
| Material | Aluminum (6061-T6, 7075, etc.), Brass, Stainless Steel (304, 316), Steel (Q235, 45#), Plastics (ABS, Delrin, PC) |
| Process | CNC Machining, Turning, Milling, Boring, Grinding, Drilling, Wire-Cutting |
| Surface Treatment | Anodized (Color/Hard), Powder-coating, Sand-blasting, Nickel/Chrome/Zinc Plating, Polishing |
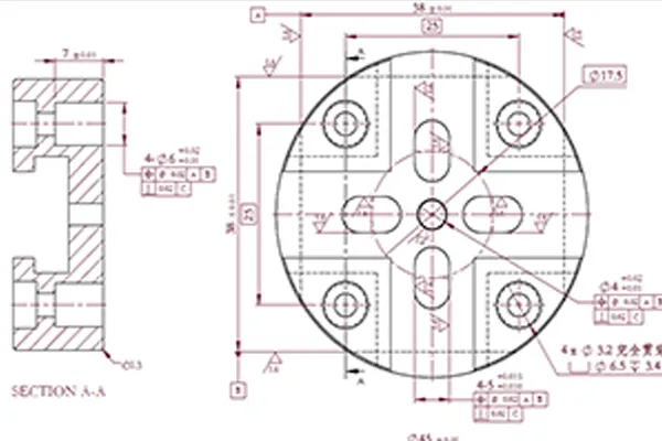
| General Tolerance | CNC Machining: 0.005mm; Turning: 0.005mm; ID/OD Grinding: 0.002mm |
| Certification | ISO 9001:2015 |









Comprehensive testing system and professional inspectors ensuring top-tier product quality.






Professional Deburring: Experienced staff removes burrs manually, followed by ultrasonic cleaning to ensure internal flow paths are completely clear. Endoscopes verify internal drill ways.
| Technology | Hydraulic engineers with 10+ years of experience in manifold design. Optimized layout, compact structures, and beautiful appearance design. |
| Equipment | One-stop processing center with professionally maintained CNC equipment to ensure continuous efficiency and accuracy. |
| Surface Treatment | Anti-rust measures including electroplating and anodizing, with strict visual, hardness, and salt spray testing. |

With over 20 years of experience and advanced equipment, we provide a full range of custom CNC parts, hydraulic valves, and gear manufacturing services. Our mission is to make custom parts easier for global manufacturers.
