XCMG Official Mini Crane Electric Motor Ytrvf 132s4-4f2/D/B3bm1 Tower Crane Electric Swing Motor for Construction Machinery Spare Parts

Customization: Available
Warranty: 3 Months
Application: Construction Machinery

Product Description

Basic Information
Model NO.
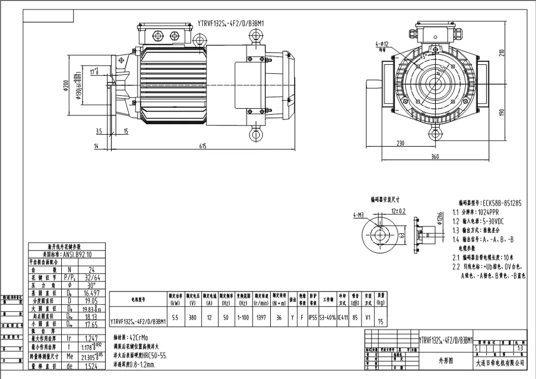
803599599
Certification
ISO9001: 2000
Condition
New
Power
5.5kw
Weight
75kg
Applicable Models
8/10/12 Ton Tower Crane
Specification
629*410*400mm
Trademark
XCMG
Production Capacity
10000 Units/Year
Product Description
Tower Crane Electric Swing Motor

XCMG Official Mini Crane Electric Motor YTRVF 132S4-4F2/D/B3BM1

Tower Crane Electric Swing Motor for Construction Machinery Spare Parts

Applicable Tower Cranes models: XGT6513\C 8S1, XGT6513 A-8S, XGT6018-8S, XCA6515-8S, XCA6513-8S, XGA6020-8S, XCT6515\A\B\C\D\E-10S, XCT6518A-10S1, XGT6515\A\B\C-10S1, XGL160NB-10S, XGL140-10S, XGL190-12S

We provide a comprehensive range of spare parts for XCMG equipment. Our inventory includes components for:

  • Wheel Loaders: LW180K, LW300K, LW300FN, ZL50GN, LW500K, LW600K, LW700HV, LW1200K
  • Motor Graders: GR135, GR165, GR180, GR215, GR1803
  • Truck Cranes: QY25K, QY30K, QY50KA, QY70K, QY100K
  • Road Rollers: XS143J, XS203J, XD82, XP303, XMR303
  • Excavators: XE135B, XE215C, XE370CA, XE135WB

Key spare parts available include track shoes, oil filters, diesel filters, air filter elements, hydraulic return filters, hydraulic oil filters, hydraulic oil pilot filters, teeth, tooth pins, washers, and bolts.

Product Parameters
Parameter Details
Model 803599599
Weight 75kg
Power 5.5kw
Dimension 774*410*400mm
Applicable models XGT6513\C 8S1, XGT6513 A-8S, XGT6018-8S, XCA6515-8S, XCA6513-8S, XGA6020-8S, XCT6515\A\B\C\D\E-10S, XCT6518A-10S1, XGT6515\A\B\C-10S1, XGL160NB-10S, XGL140-10S, XGL190-12S
Product Gallery
Manufacturing & Capacity
Factory Overview Production Line Equipment Facility
Frequently Asked Questions
1. What is the power specification of this swing motor?
This electric swing motor (Model YTRVF 132S4-4F2/D/B3BM1) has a power output of 5.5kw.
2. Which tower crane models are compatible with this motor?
It is compatible with 8, 10, and 12-ton tower cranes, specifically models like XGT6513, XGT6018, XCA6515, XGA6020, and XGL160NB series.
3. What are the physical dimensions and weight of the unit?
The motor weighs 75kg and its main specification dimensions are 629*410*400mm (packaging/total dimensions approx. 774*410*400mm).
4. Does the motor meet international quality standards?
Yes, it is manufactured according to ISO9001: 2000 certification standards for construction machinery spare parts.
5. What is the annual production capacity for this motor?
The production facility has an annual capacity of 10,000 units per year to ensure a steady supply.
6. Are other spare parts available for construction machinery?
Yes, we offer a full range of parts including track shoes, various filters (oil, diesel, air, hydraulic), teeth, and pins for wheel loaders, excavators, and road rollers.

Related Products